Серия BO — это компактные одноступенчатые вертикальные насосы консольно-моноблочного типа, разработанные для стабильной работы в инженерных системах водоснабжения, HVAC, повышения давления и промышленных технологических циклах. Конструкция с вертикальным расположением вала и прямым соединением с электродвигателем обеспечивает минимальные габариты, высокую механическую устойчивость и удобство монтажа в местах с ограниченным пространством
- Торговая марка
- Условное типовое обозначение
- Номинальная подача
- Номинальное давление
- Номер ТУ (ТУ — технические условия)
- Дата изготовления: ГГГГ.НН (год/неделя)
- Максимальная температура перекачиваемой жидкости
- Страна изготовления
- Индекс и адрес завода-изготовителя
- Артикульный номер изделия
- Мощность электродвигателя
- Номинальная частота вращения
- Серийный номер
- Напор насоса при номинальной подаче
- Предупреждающая маркировка
- Знак обращения на рынке ТС
Насосы BO изготавливаются с применением коррозионностойких материалов: корпус и рабочее колесо могут быть выполнены из чугуна или нержавеющей стали AISI 304 (в зависимости от модели и назначения). Надёжная механическая часть, энергоэффективные электродвигатели IE2/IE3 и продуманная гидравлика обеспечивают высокую эффективность и длительный срок службы при эксплуатации в системах различной сложности
Особенности серии BO
Насосы BO сочетают устойчивость эксплуатации, простоту обслуживания и технологичность конструкции, что делает их востребованными в инженерных системах зданий, промышленности и коммунальной инфраструктуре
Ключевые особенности серии
- Моноблочная вертикальная конструкция обеспечивает минимальные вибрации и компактный монтаж
- Корпус выполнен из прочного чугуна СЧ25, а рабочее колесо — из чугуна или нержавеющей стали AISI304 (в зависимости от исполнения)
- Одноступенчатая гидравлика гарантирует стабильную характеристику напора в системах водоснабжения и циркуляции
- Надёжное торцевое уплотнение обеспечивает герметичность и длительный ресурс
- Электродвигатели IE2/IE3 с вентиляторным охлаждением обеспечивают энергосбережение и стабильность работы
- Конструкция позволяет демонтировать рабочее колесо и двигатель единым модулем без снятия корпуса или трубопроводов
- Наличие нескольких исполнений опор (С, D, Е) облегчает подбор насоса под конкретную схему монтажа
- Возможность работы с преобразователем частоты (внешним), что позволяет применять насосы в регулируемых системах
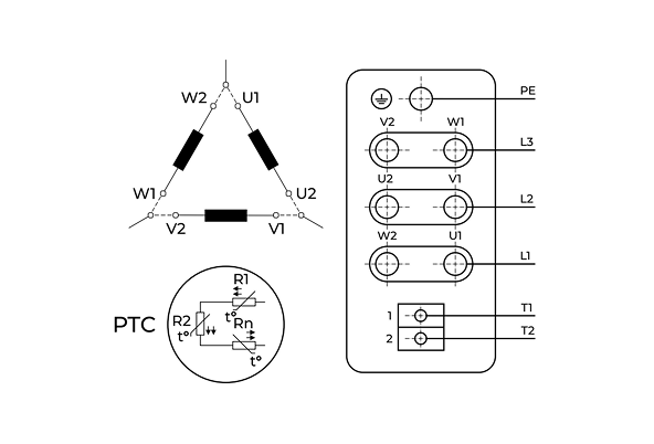
Напряжение питания и схема подключения указаны на фирменной табличке электродвигателя. На внутренней стороне крышки клеммной коробки также отображена схема подключения

Схема подключения «треугольник»

Схема подключения «звезда»

Однофазная схема подключения
Области применения серии BO
Насосы BO применяются для подачи и распределения воды в коммунальных и промышленных системах, для повышения давления в магистральных линиях, а также в системах водоснабжения многоэтажных зданий. Одноступенчатая гидравлика обеспечивает наклонную характеристику, что особенно полезно для сети с переменными расходами
- Водоснабжение и повышение давления
Насосы BO применяются для подачи и распределения воды в коммунальных и промышленных системах, для повышения давления в магистральных линиях, а также в системах водоснабжения многоэтажных зданий. Одноступенчатая гидравлика обеспечивает наклонную характеристику, что особенно полезно для сети с переменными расходами - Промышленные технологические процессы
Используются в промывочных линиях, промышленных системах водяной защиты, туннельных автомойках, в системах подачи охлаждающей или технологической воды. Надёжное сильфонное уплотнение обеспечивает работу с жидкостями при повышенных температурах - Системы отопления, теплоснабжения и ГВС
Подходят для циркуляционных контуров, подпитки котлов, теплоснабжения и систем горячего водоснабжения. Конструкция обеспечивает устойчивость работы в длительных режимах при повышенных температурах - Охлаждение, кондиционирование и вентиляция (HVAC)
Насосы BO подходят для перекачивания охлаждающих жидкостей (вода, водно-гликолевые растворы), используются в чиллерах, вентиляционных и кондиционерных установках промышленных зданий, обеспечивая стабильный поток при низком уровне вибраций - Перекачивание жидкостей в инженерных системах зданий
Применяются в системах циркуляции воды, подпитки, распределения по инженерным контурам, включая коммерческие, административные и жилые здания - Системы орошения и сельскохозяйственные установки
Используются в оросительных системах различных типов: затопление, дождевание, капельный полив. Устойчивость гидравлики позволяет эффективно работать с чистой и условно чистой водой
Для обеспечения работы в указанных условиях насосы серии BO имеют соответствующие конструктивные и технические характеристики
| Параметр | Значение |
|---|---|
| Исполнение | BO (моноблочный вертикальный насос, корпус из СЧ25 или AISI304) |
| Рабочее колесо | чугун СЧ25 / нержавеющая сталь AISI304 (в зависимости от модели) |
| Торцевое уплотнение | сильфонное уплотнение BAQE / BQQE — опционально |
| Положение клеммной коробки | стандартно в позиции 9 часов |
| Тип электропитания | 3×230/400 В или 3×400/690 В |
| Схема подключения | «звезда / треугольник» |
| Варианты монтажа | IM V18, IM B14, IM V1, IM B5 |
| Материалы корпуса | чугун СЧ25 / высокопрочный чугун ВЧ50 / AISI304 (по модели) |
| Класс энергоэффективности двигателя | IE2 / IE3 |
| Количество полюсов двигателя | 2 или 4 |
| Подшипники | шариковые подшипники с повышенным ресурсом |
| Максимальное давление фланцев | PN10 или PN16 (зависит от типоразмера) |
| Температура перекачиваемой жидкости | от 0 до +120 °C (по уплотнению BAQE / BQQE) |
| Технические параметры указаны согласно данным, предоставленным производителем | |
Вывод по серии BO
Серия BO — это надёжные вертикальные одноступенчатые насосы консольно-моноблочного типа, разработанные для водоснабжения, HVAC, промышленной циркуляции и систем повышения давления. Прочная конструкция, доступность различных материалов корпуса и рабочего колеса, энергоэффективные двигатели IE2/IE3 и удобство обслуживания делают серию BO оптимальным выбором для инженерных систем зданий, коммунального хозяйства и промышленного сектора
Насосы BO обеспечивают стабильные характеристики, длительный ресурс и универсальность применения, благодаря чему подходят для большинства стандартных и специализированных проектов